收藏本站
中文
中文
English
公司信息
中国·上海市浦东新区浦东大道2000弄6层600室
elinker@cnelinker.com
021-50937138; 021-50937136; 021-58858552
权威认证
相关网站
首页
产品选型
产品选型
推荐产品
产品中心
PCB插拔式接线端子
LC/LZ插拔式接线端子专题
LC系列接线端子(插头)
间距-2.54/2.50
间距-3.81/3.50
间距-3.96
间距-5.08/5.00
间距-7.62/7.50
间距-9.52
间距-10.16/10.00
间距-12.70
间距-15.00
防错插LC20
LZ系列接线端子(插座)
间距-2.50/2.54
间距-3.81/3.50
间距-3.96
间距-5.08/5.00
间距-7.62/7.50
间距-10.16/10.0
防错插LZ20
YL1-5.08镀金接线端子
镀金端子专题
空中对插/面板固定对插
线对线空中对插连接器
线对线固定对插连接器
穿墙/穿箱式接线端子
穿墙式接线端子
点击查看专题
间距-2.5
间距-3.81
点击查看
间距-5.08
点击查看
间距-7.62
点击查看
TB1系列接线端子
TB1-15A(固定式/导轨式)
点击查看专题
TB1-25A(固定式/导轨式)
点击查看专题
TB1-35A(固定式/导轨式)
点击查看专题
TB1-45A(固定式/导轨式)
点击查看专题
TB1-60A(固定式/导轨式)
点击查看专题
TB1-100A(固定式/导轨式)
H38系列小体积端子
H3800
H3802专题
H3802
H3803专题
H3803
LD一体式弹簧端子
LDM1-2.5专题
LDM面板固定式系列
LDK1-2.5专题
LDK轨道式系列
LD7专题
LD7插拔式系列
轨道/面板式接线端子
UK轨道式接线端子
UK2.5B
UK轨道式端子专题
UD轨道式
TR固定式
JHY1/JH9轨道式端子
JHY1轨道式
JH9导轨式
UK/LUK轨道式端子
UL-UK端子
LUK系列
TB1-H轨道式
TC大电流端子
TC板式端子
MST/STL弹簧式
MST弹簧接线端子
MST弹簧接线端子专题
STL弹簧式接线端子
TA/JX/JSJ系列
JSJ穿墙式
JF6无轨端子
JX黑色端子
TA板式端子
JDG接地端子
轨道插拔接线端子
轨道插拔式接线端子专题
间距-5.08
间距-7.62
大电流接线端子
大电流端子专题
大电流插拔式端子
PCB直焊式接线端子
直焊式端子选型专题
间距2.54/2.50
间距3.81/3.50
间距3.96
间距5.08/5.00
间距6.35
间距7.62/7.50
间距9.50
间距10.16/10.00
间距12.70
间距15.00
间距9.52
焊接端子(裸端子)
E系列
PCB弹簧式接线端子
弹簧式端子选型专题
一体式LS240/241/242/341
间距2.54/2.50
间距3.81/3.50
间距5.08/5.00
间距7.62/7.50
间距7.50/5.00
间距7.62/5.08
LSC专题
10.0mm
PCB栅栏式接线端子
栅栏式端子选型专题
间距6.35
间距7.62
间距8.25
间距9.52
间距10.00
间距11.00
间距13.00
间距9.50
间距11.11
行业应用
建筑端子
变压器端子
仪表端子
转接模块及底座
附件及其他产品
连接件/边插件
固定件
冷压端子
导轨
标记条
挡片
压线钳
其他产品
关于联捷
公司简介
工厂设备
装配车间
智能仓库
网站导航
资料下载
电子样册
端子认证
国家标准
常见问题
技术资料
联系我们
联系方式
在线购买
产品中心
产品中心
轨道/面板式接线端子
>
JDG接地端子
>>JDG/A
JDG/A
产品品牌
Elinker
产品颜色
暂无数据
产品服务
提供3D模型/规格书,阶梯报价,专业售后回访
产品位数
暂无数据
接线端子技术资料
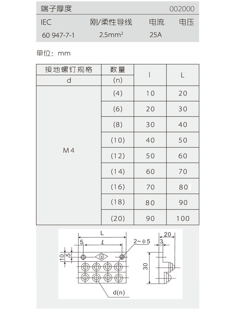
产品描述
技术参数
应用场景
产品包装
安装方式
线路板安装
螺钉类型
M4
最大刚性/柔性导线容量(mm²)
2.5
最大额定电流(A)
25